ویرا سگال کارو
ویرا سگال کارو
shop icon svg
سلولز
  • تعداد بازدید : ۲۳۹ بار

0
سلولز

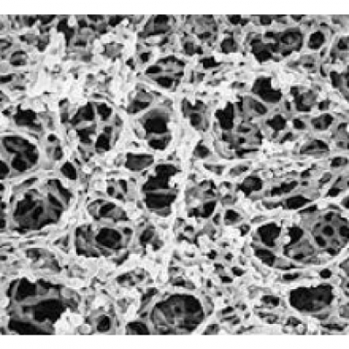
سلولز (Cellulose)چه به عنوان ماده تشکیل دهنده کاغذ فیلتر، مانند فیلترشیت های تولید شرکت صافی آران و چه به عنوان ماده کمک فیلتر یکی از پرمصرف ترین مواد در صنعت فیلتراسیون مایعات به حساب می آید.

برای استفاده از سلولز بعنوان کمک فیلتر، می بایست با استفاده از الیاف سلولزی و ساپورت -معمولاً فلزی- بستری جهت فیلتراسیون ایجاد نمود.دراین حالت، با تجمع الیاف سلولز کیکِ بسیار فشرده ای تشکیل میشود که میزان “نفوذپذیری” یا “تراوایی” - permeability - آن برای عبور مایع یا محلول بسیار مناسب بوده، اما در عین حال -در مقایسه با دیاتومیت و پرلیت- قادر به “احتباس” - retention - ذرات جامد بسیار ریزتری می باشد .

دو ویژگی عمده کیـک سلولزی، نشان دهنده میزان مرغوب بودن سلولزِ تشکیل دهنده آن کیک می باشد؛ یکی خاکستـر کمتر و دیـگری مقاومت بیشتر در محیط قلیایی. قیمت سلـولز از مواد کمک فیلتر “دیاتومیت” و “پرلیت” بیشتر می باشد .

مشخصات اطلاعات شرکت فروشنده این محصول

شرکت فروشنده : تحقیقاتی و تولیدی صافی آران
تلفن همراه : ۰۹۱۲۲۰۸۱۵۶۶
تلفن ثابت : ۰۲۱۶۶۹۰۳۹۰۱
اطلاعات بیشتر : مشاهده
فرم ثبت سفارش آنلاین
هنوز دیدگاهی ثبت نشده است
loading
دیدگاه شما ارسال شد
سلولز

سلولز (Cellulose)چه به عنوان ماده تشکیل دهنده کاغذ فیلتر، مانند فیلترشیت های تولید شرکت صافی آران و چه به عنوان ماده کمک فیلتر یکی از پرمصرف ترین مواد در صنعت فیلتراسیون مایعات به حساب می آید.

برای استفاده از سلولز بعنوان کمک فیلتر، می بایست با استفاده از الیاف سلولزی و ساپورت -معمولاً فلزی- بستری جهت فیلتراسیون ایجاد نمود.دراین حالت، با تجمع الیاف سلولز کیکِ بسیار فشرده ای تشکیل میشود که میزان “نفوذپذیری” یا “تراوایی” - permeability - آن برای عبور مایع یا محلول بسیار مناسب بوده، اما در عین حال -در مقایسه با دیاتومیت و پرلیت- قادر به “احتباس” - retention - ذرات جامد بسیار ریزتری می باشد .

دو ویژگی عمده کیـک سلولزی، نشان دهنده میزان مرغوب بودن سلولزِ تشکیل دهنده آن کیک می باشد؛ یکی خاکستـر کمتر و دیـگری مقاومت بیشتر در محیط قلیایی. قیمت سلـولز از مواد کمک فیلتر “دیاتومیت” و “پرلیت” بیشتر می باشد .

مشخصات اطلاعات شرکت فروشنده این محصول

شرکت فروشنده : تحقیقاتی و تولیدی صافی آران
تلفن همراه : ۰۹۱۲۲۰۸۱۵۶۶
تلفن ثابت : ۰۲۱۶۶۹۰۳۹۰۱
اطلاعات بیشتر : مشاهده
فرم ثبت سفارش آنلاین