ویرا سگال کارو
ویرا سگال کارو
shop icon svg
واحد استاندارد سازی چربی (Standomat)
واحد استاندارد سازی چربی (Standomat)
  • تعداد بازدید : ۹۳۴ بار

0
واحد استاندارد سازی چربی (Standomat)

کاربرد:

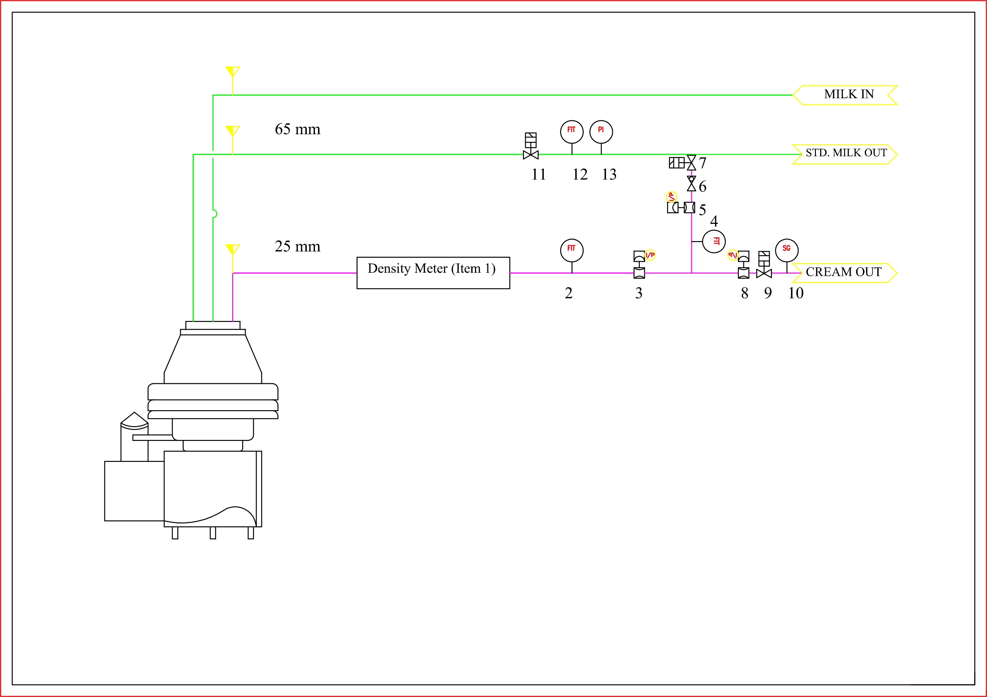
این سیستم به نحوی طراحی گردیده است که چربی موجود در شیر و خامه را به محض خروج از سپراتور به صورت اتوماتیک و پیوسته تنظیم نماید. این سیستم اجازه تنظیم چربی در شیر روزانه, خامه , شیر طعم دار, شیر تخمیر شده , شیر جهت پنیر, میکس بستنی, محصولات فرموله شده و محصولات پودری به صورت پیوسته و اتوماتیک را می دهد.

اصول کار:

سیستم به صورت پیوسته فشار خامه را بوسیله شیر فشار ثابت در خروجی سیستم از طریق یک Cascade controller کنترل نموده و بدینوسیله درصد چربی خامه خروجی را به دقت کنترل می نماید. شیر پس چرخ از سپراتور خارج شده و فشار در خروجی سیستم بوسیله شیر فشار ثابت تثبیت می گردد. یک دستگاه فلومتر الکترومغناطیسی دبی خامه خروجی از سپراتور را اندازه گرفته و درصد چربی خامه نیز بوسیله یک دانسیته سنج به صورت پیوسته اندازه گیری می گردد. یک فلومتر دیگر نیز دبی شیر استاندارد شده را اندازه می گیرد. زمانیکه درصد خامه خروجی درخواستی روی دستگاه وارد می شود ابتدا دانسیته سنج درصد چربی را اندازه گرفته و به شیر کنترل ورودی خامه فرامین لازم را می دهد تا درصد چربی خامه تثبیت گردد. زمانیکه درصد چربی مورد نظر در شیر استاندارد درخواستی روی دستگاه وارد شود , دستگاه میزان خامه ای را که بایستی به شیر اسکیم وارد شود حساب نموده و به شیر کنترل خروجی به میزانی فرمان می دهد تا درصد چربی شیر استاندارد به میزان مورد نظر برسد.

مدل:

FSN FSU ۱ با ظرفیت Lit/hr۵۰۰۰۰ الی ۵۰۰۰

 

اجزا اصلی:

-دانسیته سنج Online

-فلومترهای الکترومغناطیسی

-فشار سنج

-تابلو کنترل استینلس استیل شامل PLC و HMI

-شیر های کنترل دبی

-شیرهای باترفلای اتوماتیک

-شاسی و لوله و اتصالات مربوطه

-کابل ها و سینی کابل های مربوطه

 

سیستم کنترل:

PLC: Siemens S۷ ۳۰۰

HMI: Panelmaster touch panel

پارامترهای فرایندی:

دبی شیر خام: ظرفیت Lit/hr۵۰۰۰۰ الی ۵۰۰۰

دمای ورودی شیر: C ۶۵-۴۵

 

ابعاد:

mm ۱۷۲۰x ۱۰۵۰ x ۱۱۲۰ (طول x عرضx ارتفاع)

 

Options :

-امکان کالیبره نمودن اتوماتیک تغییرات SNF

-کنترل نسبت (Fat/Protein) و Fat/SNF

-بای پاس سپراتور

-استاندارد نمودن چربی به صورت سرد C ۱۲-۶

-بای پس نمودن نسبی سپراتور

-سنسور On line جهت اندازه گیری نسبت چربی محصول نهایی

 

مزایای استفاده از سیستم FSN FSU ۱:

-کیفیت یکسان محصول خروجی

-دقت بالا در استاندارد سازی چربی

-کاهش دادن میزان سرمایه گذاری ( نیازی به تانک و دیگر ادوات اضافه جهت استاندارد سازی چربی نمی باشد)

-Flexibility بالا در تولید محصول نهایی با درصد چربی های مختلف

-امکان بسیار کم خطای انسانی

-مصرف کمتر مواد شیمیایی و دیگر موارد آلوده کننده در مقایسه با تانک و دیگر ادوات اضافه جهت استاندارد سازی

-برگشت سریع سرمایه گذاری اولیه بعلت موارد ذکر شده در بالا

مشخصات اطلاعات شرکت فروشنده این محصول

شرکت فروشنده : فرآیند سازان نوین
تلفن ثابت : ۰۲۱۵۶۴۱۷۳۱۴
اطلاعات بیشتر : مشاهده
فرم ثبت سفارش آنلاین
هنوز دیدگاهی ثبت نشده است
loading
دیدگاه شما ارسال شد
واحد استاندارد سازی چربی (Standomat)

کاربرد:

این سیستم به نحوی طراحی گردیده است که چربی موجود در شیر و خامه را به محض خروج از سپراتور به صورت اتوماتیک و پیوسته تنظیم نماید. این سیستم اجازه تنظیم چربی در شیر روزانه, خامه , شیر طعم دار, شیر تخمیر شده , شیر جهت پنیر, میکس بستنی, محصولات فرموله شده و محصولات پودری به صورت پیوسته و اتوماتیک را می دهد.

اصول کار:

سیستم به صورت پیوسته فشار خامه را بوسیله شیر فشار ثابت در خروجی سیستم از طریق یک Cascade controller کنترل نموده و بدینوسیله درصد چربی خامه خروجی را به دقت کنترل می نماید. شیر پس چرخ از سپراتور خارج شده و فشار در خروجی سیستم بوسیله شیر فشار ثابت تثبیت می گردد. یک دستگاه فلومتر الکترومغناطیسی دبی خامه خروجی از سپراتور را اندازه گرفته و درصد چربی خامه نیز بوسیله یک دانسیته سنج به صورت پیوسته اندازه گیری می گردد. یک فلومتر دیگر نیز دبی شیر استاندارد شده را اندازه می گیرد. زمانیکه درصد خامه خروجی درخواستی روی دستگاه وارد می شود ابتدا دانسیته سنج درصد چربی را اندازه گرفته و به شیر کنترل ورودی خامه فرامین لازم را می دهد تا درصد چربی خامه تثبیت گردد. زمانیکه درصد چربی مورد نظر در شیر استاندارد درخواستی روی دستگاه وارد شود , دستگاه میزان خامه ای را که بایستی به شیر اسکیم وارد شود حساب نموده و به شیر کنترل خروجی به میزانی فرمان می دهد تا درصد چربی شیر استاندارد به میزان مورد نظر برسد.

مدل:

FSN FSU ۱ با ظرفیت Lit/hr۵۰۰۰۰ الی ۵۰۰۰

 

اجزا اصلی:

-دانسیته سنج Online

-فلومترهای الکترومغناطیسی

-فشار سنج

-تابلو کنترل استینلس استیل شامل PLC و HMI

-شیر های کنترل دبی

-شیرهای باترفلای اتوماتیک

-شاسی و لوله و اتصالات مربوطه

-کابل ها و سینی کابل های مربوطه

 

سیستم کنترل:

PLC: Siemens S۷ ۳۰۰

HMI: Panelmaster touch panel

پارامترهای فرایندی:

دبی شیر خام: ظرفیت Lit/hr۵۰۰۰۰ الی ۵۰۰۰

دمای ورودی شیر: C ۶۵-۴۵

 

ابعاد:

mm ۱۷۲۰x ۱۰۵۰ x ۱۱۲۰ (طول x عرضx ارتفاع)

 

Options :

-امکان کالیبره نمودن اتوماتیک تغییرات SNF

-کنترل نسبت (Fat/Protein) و Fat/SNF

-بای پاس سپراتور

-استاندارد نمودن چربی به صورت سرد C ۱۲-۶

-بای پس نمودن نسبی سپراتور

-سنسور On line جهت اندازه گیری نسبت چربی محصول نهایی

 

مزایای استفاده از سیستم FSN FSU ۱:

-کیفیت یکسان محصول خروجی

-دقت بالا در استاندارد سازی چربی

-کاهش دادن میزان سرمایه گذاری ( نیازی به تانک و دیگر ادوات اضافه جهت استاندارد سازی چربی نمی باشد)

-Flexibility بالا در تولید محصول نهایی با درصد چربی های مختلف

-امکان بسیار کم خطای انسانی

-مصرف کمتر مواد شیمیایی و دیگر موارد آلوده کننده در مقایسه با تانک و دیگر ادوات اضافه جهت استاندارد سازی

-برگشت سریع سرمایه گذاری اولیه بعلت موارد ذکر شده در بالا

مشخصات اطلاعات شرکت فروشنده این محصول

شرکت فروشنده : فرآیند سازان نوین
تلفن ثابت : ۰۲۱۵۶۴۱۷۳۱۴
اطلاعات بیشتر : مشاهده
فرم ثبت سفارش آنلاین