Plate heat exchanger M15
  • Seen : 577 View

0
Plate heat exchanger M15

Plate heat exchangers are a type of heat exchangers in which the exchange surface between two hot and cold fluids is created by plates.
The advantage of this type of converters is that fluids are distributed over a wide area, this facilitates heat transfer and greatly increases the speed of fluid temperature transfer.


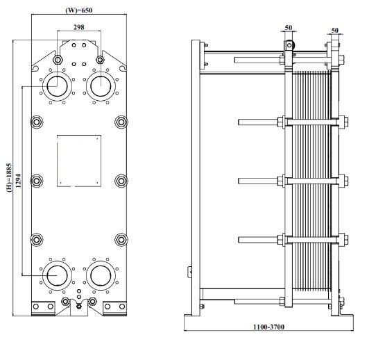
The main components of the plate heat exchanger:
1. Moving frame
2. Fixed frame
3. Carrier rod
4. Support
5. Guide rod
6. Compression screws
7. Heat exchanger plates
8. Washer


Information needed to design a screen converter:
1. Flow rate passing through the heat exchanger
2. Physical properties of fluids passing through the heat exchanger
3. Hot and cold fluid inlet and outlet temperatures
4. Allowable fluid pressure drop
5. Maximum operating temperature and pressure

Saler Company Information

Company : Sana Mobadel Toseh Pars
Phone : 00985135415022
More Information : View
Online order registration form
No comments have been posted yet
loading
Your comment has been sent
Plate heat exchanger M15

Plate heat exchangers are a type of heat exchangers in which the exchange surface between two hot and cold fluids is created by plates.
The advantage of this type of converters is that fluids are distributed over a wide area, this facilitates heat transfer and greatly increases the speed of fluid temperature transfer.


The main components of the plate heat exchanger:
1. Moving frame
2. Fixed frame
3. Carrier rod
4. Support
5. Guide rod
6. Compression screws
7. Heat exchanger plates
8. Washer


Information needed to design a screen converter:
1. Flow rate passing through the heat exchanger
2. Physical properties of fluids passing through the heat exchanger
3. Hot and cold fluid inlet and outlet temperatures
4. Allowable fluid pressure drop
5. Maximum operating temperature and pressure

Saler Company Information

Company : Sana Mobadel Toseh Pars
Phone : 00985135415022
More Information : View
Online order registration form